電鍋爐EP26E EP42E系列-威美博尼

EP E 26-42 KW
小型電鍋爐。適用于散熱器加熱,輔助加熱或工業生產。
EP E系列的輸出功率分別為26KW和42KW。其主要特點是結構緊湊、可靠性高。EP E系列用于加熱水介質系統,作為熱泵或各種工業生產的補充。
功率可設置到
•例如EP 26 E 到22.5KW, 18.75 KW或15KW。
•例如EP 42 E到 36KW, 30KW或24KW。
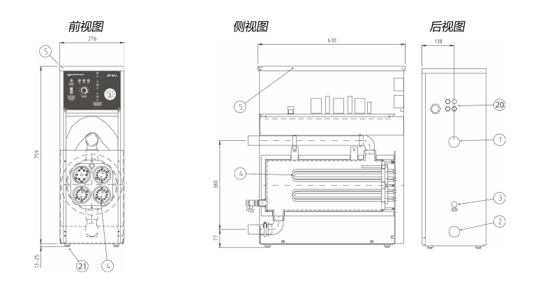
不銹鋼浸入式加熱器
浸入式加熱器采用不銹鋼制造,標準配置黃銅封頭。壓力容器由薄鋼板制成,可承受4 bar的工作壓力。
流量/安全閥、回流管和排泄閥的連接在鍋爐的后部。
緊湊的設計
高78cm,寬28cm,深63cm。
盡管如此,仍有足夠的空間在鍋爐蓋下進行電氣連接,放置電子設備。
等級功率
鍋爐的輸出分為7個等級,在溫度不足的情況下逐級連接。鍋爐溫度可設定在20至95℃之間。
負載保護包括
電源中包括用于測量的負載保護裝置和電流互感器(35-125 A)。
UTK E
UTK E室外溫度補償器可以作為附件根據室外溫度控制水流量溫度。可提供更簡單的操作,泵維護操作和防凍。
外部控制(如熱泵)
外部輔出可用電壓或電流信號控制或限制。還可以接收0-10V電壓等級的輸出信號。EP的 VP控制器可用來控制由熱泵輸出的帶有附屬加熱的信號(附件)。
壁掛支架
鍋爐可以放在地板上,也可以用支架安裝在墻上(附件)




上一篇:沒有了
下一篇:沒有了
更多相關內容

